г. Барнаул, ул.Автотранспортная 55а
+7 (3852) 46-68-62, +7-960-940-2010
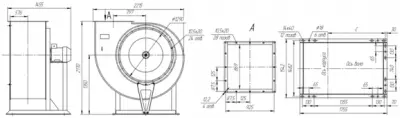
ВР 85-77 №12,5 ДУ 45х1000
Описание
| Вентилятор | Двигатель | Производительность | Полное давление | Масса |
| ВР 85-77 №12,5 ДУ | 45кВт*1000об\мин | 34,3-46,7 тыс. м³/ч | Па | 1012 кг |
Характеристики
| Мощность двигателя, кВт | 45 |
| Частота вращения, об/мин | 1000 |
| Напряжение | 380В |
| Типоразмер вентилятора | №12,5 |
| Исполнение вентилятора | исп.1 |
Смотрите также
Вы недавно смотрели
Продолжая использовать сайт, вы даёте согласие на обработку файлов cookie и принимаете условия Политики конфиденциальности








