г. Барнаул, ул.Автотранспортная 55а
+7 (3852) 46-68-62, +7-960-940-2010
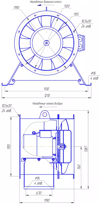
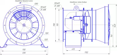
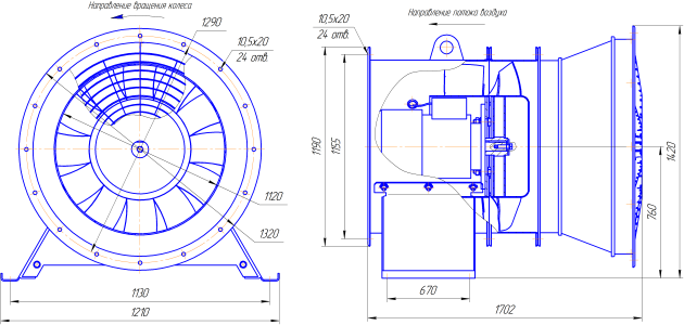
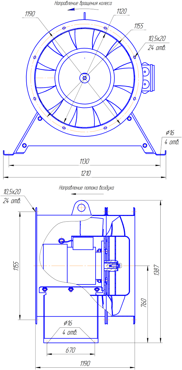
ВО-2,3-130 №11,2 5,5х750
Описание
| Вентилятор | Кривая | Угол установки лопаток | Двигатель | Производительность | Полное давление | Масса |
| ВО 2,3-130 №11,2 | № 1 | 25° | 5,5кВт*750об/мин | 24,3 - 36,0 тыс. м³/ч | 385-151 Па | 178 кг |
| № 2 | 30° | 31,1 - 42,7 тыс. м³/ч | 412-213 Па |
Характеристики
| Мощность двигателя, кВт | 5,5 |
| Частота вращения, об/мин | 750 |
| Напряжение | 380В |
| Типоразмер вентилятора | №11,2 |
Вы недавно смотрели
Продолжая использовать сайт, вы даёте согласие на обработку файлов cookie и принимаете условия Политики конфиденциальности













